XM-C7J7-1009D
XR-C7J7-1009D RoHS



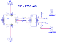
Mixer, HMC521ALC4/JSPQW-100+ [PCB: 1256]
Image Rejection Mixer
HMC521ALC4 Mixer
JSPQW-100+ 90 degree combiner
(Bottom IF ports set to Thru, Load on Top IF Port)
Unit of Measure

Spec Sheet

N/A HMC521ALC4

XM Part Number

N/A XM-C7J7-1009D

PKG

N/A SMT

RoHS

N/A XR-C7J7-1009D